Design of a Real Coded GA Processor
A. Tsukahara and A. Kanasugi
Graduate School of Science and Engineering, Tokyo Denki University 5 Senju-Asahi-cho, Adachi-ku, Tokyo, Japan
Keywords: Generic Algorithm, Real Coded Generic Algorithm, FPGA.
Abstract: Real Coded Genetic Algorithm (RCGA) has been attracting attention as one of the GA for handling real-
valued vectors. Various GA hardware have been proposed, for evolvable hardware, and for an increase in
computational throughput. Yet, there are few reports of RCGA hardware. Herein, we propose a design for a
real coded GA processor. The proposed processor is implemented using the JGG (Just Generation Gap) as a
generation alternation model and the REX (Real coded Ensemble Crossover) as a crossover. In addition, the
evaluation functions that depend on problem are calculated using soft macro CPU. The proposed processor
is to be applied expected in embedded field applications because of it can be implemented in one chip
FPGA.
1 INTRODUCTION
Many engineering problems have no known
solution, or impose a large computational cost.
Heuristic approaches are often effective for such
difficult problems. That is, the search for
approximate solutions, having sufficiently practical
accuracy, occurs within an acceptable time, by the
use of an empirical method. One such approach is
genetic algorithm (GA). GA is based on the idea of
the evolution of life; it is one of the optimization
algorithms. GA can be applied to various problems,
such as combinatorial optimization problem and NP-
hard problem. Moreover, GA has affinity with
evolvable hardware which has been attracting
attention. Real Coded Genetic Algorithm (RCGA)
has been attracting attention (Kobayashi, 2009). It is
handling real-valued vectors as genotype. RCGA is
much better than conventional GA, when handling
the genotype within a bit strings. Therefore, it is also
effective for high-dimensional problem.
In case of usual PC require long calculation time,
a dedicated hardware is effective. Various GA
hardware have been proposed based on conventional
GA (Fernaldo et al., 2010). These GA hardwares are
used evolvable hardware as one of applications. The
evolvable hardware is a device to change optimum
hardware configuration by evolutionary computation.
For example, there are applications such as the
image filter circuit (Vasicek et al., 2007). However,
there are few reports of RCGA hardware.
In this paper, we propose a design of RCGA
processor. The proposed processor is implemented
using the JGG as a generation alternation model and
the REX as a crossover. Effective sharing of
computing units reduce the circuit scale.
Furthermore, the use of soft macro CPU enhance
versatility. The proposed processor is expected in
embedded field applications because of it can be
implemented in one chip FPGA.
2 REAL-CODED GA
The main processing of RCGA consists of a
generation alternation model and a crossover. The
generation alternation model consists of a
reproduction selection and a survival selection of
individuals.
Several generation alternation model have been
proposed such as MGG (Minimal Generation Gap)
and JGG (Just Generation Gap) (Akimoto et al,
2007). The two parents are selected in MGG. On the
other hand, more than two parents are selected in
JGG. The better results are often obtained by using
JGG than MGG.
Several crossover mechanisms in RCGA have
been proposed. Among them, The Real coded
Ensemble Crossover (REX) (Kobayashi, 2009) has
good performance with low computational cost.
Therefore, the proposed processor is implemented
using the JGG and the REX.
334
Tsukahara, A. and Kanasugi, A..
Design of a Real Coded GA Processor.
In Proceedings of the 7th International Joint Conference on Computational Intelligence (IJCCI 2015) - Volume 1: ECTA, pages 334-339
ISBN: 978-989-758-157-1
Copyright
c
2015 by SCITEPRESS Science and Technology Publications, Lda. All rights reserved
The JGG perform three steps (Akimoto et al,
2007) below.
(1) Reproduction selection: The Np number of
individuals are extracted with non-restoring
at random from the population.
(2) Generating Offspring: The Nos number of
offspring are generated repeatedly applying
crossover by using the parents.
(3) Survival selection: The top Np number of
individuals are selected in accordance with
evaluation value from the offspring.
In the above steps, Np and Nos are the number of
parent (two or more) and the number of offspring,
respectively. These parameters must be carefully
chosen according to the problems. The offspring is
generated according to equation (1) by using the
replicated selected the parents in REX.

2
1
,0~,
igi
kN
i
igc
xxxx
(1)
Where x is a real-valued vector of dimension
number N, x
i
= {x
1
, x
2
, ..., x
N+k
} are the parents, x
g
is
the center of gravity of parents and x
c
is the
offspring. k is set interval, 1 k P-N. P is number
of the population. Let
),0(
2
be the probability
distribution with average 0, dispersion
2
and
arbitrary symmetry.
i
is a parameter according to
probability distribution
),0(
2
.
2
is necessary that
)/(1
2
kN
be satisfied. In order to satisfy this
equation, let
)/(3 kN
when using random
number of interval [-α, α] in φ.
The REX requires smaller amount calculation
than such as CMA-ES (Covariance Matrix
Adaptation Evolution Strategy). Since the variance-
covariance matrix is implicitly handled in the REX.
Furthermore, The Adaptive Real-coded Ensemble
Crossover (AREX) (Akimoto et al, 2009) has been
proposed as improving the REX. The AREX is
added mechanism to avoid the initial convergence
that occurs in the optimization of the ridge structure
function and multi-peak function. In addition, Big-
valley Explorer (BE) (Uemura et al, 2011) for multi-
funnel function optimization has been proposed. The
BE is used the AREX and JGG. The BE has been
reported to be better performance than the Multi
Start CMA-ES (That is CMA-ES which initialize the
population in the entire search space) in some
benchmark functions.
3 RCGA PROCESSOR
3.1 Overview of RCGA Processor
In the proposed processor, first, parents are selected
at random in accordance with the JGG. Then, the
offspring are generated by the REX. The evaluations
are started by soft macro CPUs when first offspring
is generated. Moreover, the selection of the offspring
to be saved in the next generation population is also
performed in parallel. Then, the current population is
updated with the new offspring when the evaluation
of all offspring are complete. An optimum solution
is searched by the repetition of these processes.
Figure 1 shows a flowchart of the proposed
processor.
There are four parameters to set in the RCGA;
number of dimensions N, number of parents Np,
number of offspring Nos and number of population
P. Np, Nos and P are determined on basis of N. Np
is set as N+k. In the proposed processor, Np is set as
the number of N+2 and number of power of two. Np
is a reference parameter to parallelize the proposed
processor. Therefore, main circuit such as arithmetic
units or CPUs for evaluation exists by Np sets. Nos
is set integer multiple of Np. This integer number is
Nosr. Generation and evaluation of the offspring are
performed in Np parallel. Therefore, the Nos number
of offspring are generated by repeatedly executing
those processes Nosr times. P is set as integer
multiple of N.
The proposed processor can be set several
parameters by one of the CPU. The configurable
parameters are the RCGA parameters, a goal of
fitness to be a termination condition, a number of
evaluations to abort the process.
Figure 1: Flowchart of the proposed processor.
3.2 Detail of Proposed Processor
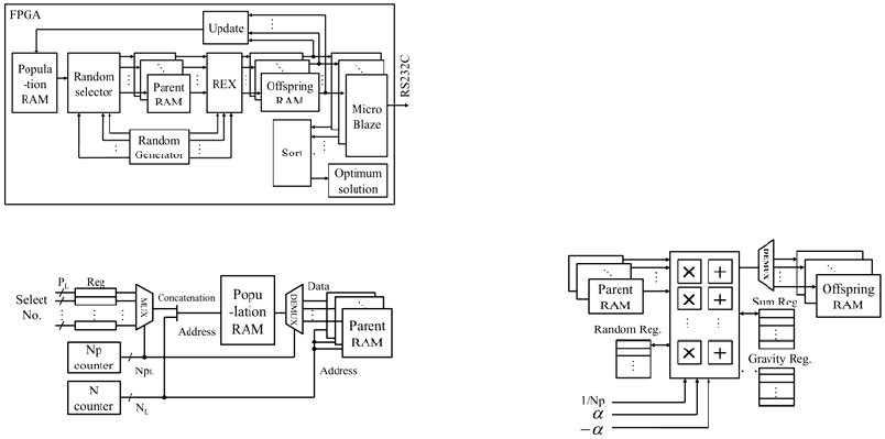
Figure 2 shows a block diagram of the proposed
RCGA processor. The data are handled as single-
Design of a Real Coded GA Processor
335
precision floating-point number that conforms to
IEEE754.
The processor consists of the following blocks; (a)
Memory (Population, Parent, Offspring), (b)
Random number generator, (c) Random selection
circuit, (d) REX circuit, (e) Evaluation circuit, (f)
Sorting circuit, (g) Updating circuit.
3.2.1 Memory
Genotype of individual is a real-valued vector with
N dimensions. A population memory store the P
number of individuals. The parent memories and the
offspring memories are prepared Np sets. Each
parent memory store an individual. Each offspring
memory store the Nosr number of individuals. In
population memory and offspring memory, the
upper bits of address are individual number and the
lower bits are each element.
3.2.2 Random Number Generator
This circuits consists of the M-sequence random
number generator and the fixed point number to
floating point number conversion circuits. First, Np
sets of 23 bits random numbers are generated. The
number of bits are corresponded to the mantissa 23
bits of single precision floating point format. Then,
they are outputted after being converted Np number
of fixed point number to floating point number at the
same time. In addition, Np sets of lower log
2
P bits of
23 bits signal are also used as selected number of
parents in a random selection circuit.
Figure 2: Block diagram of the proposed processor.
Figure 3: Random selection circuit.
3.2.3 Random Selection Circuit
The Np sets of random numbers are obtained from
the random number generator. These are individual
numbers to select as parents from the population
memory. The individual numbers are selected by the
output of Np counter (log
2
Np bits, Np
L
). In addition,
this counter select the memory to store among the
Np sets parent memories. The selected numbers and
the output of N counter (log
2
N bits, N
L
) are
concatenated. This signal is inputted to the
population memory as an address signal. These data
are stored to the parent memories. The number of
parents are counted once one individual reading is
completed. This circuit halts after all Np sets parents
data are read out. Figure 3 shows a block diagram of
the random selection circuit.
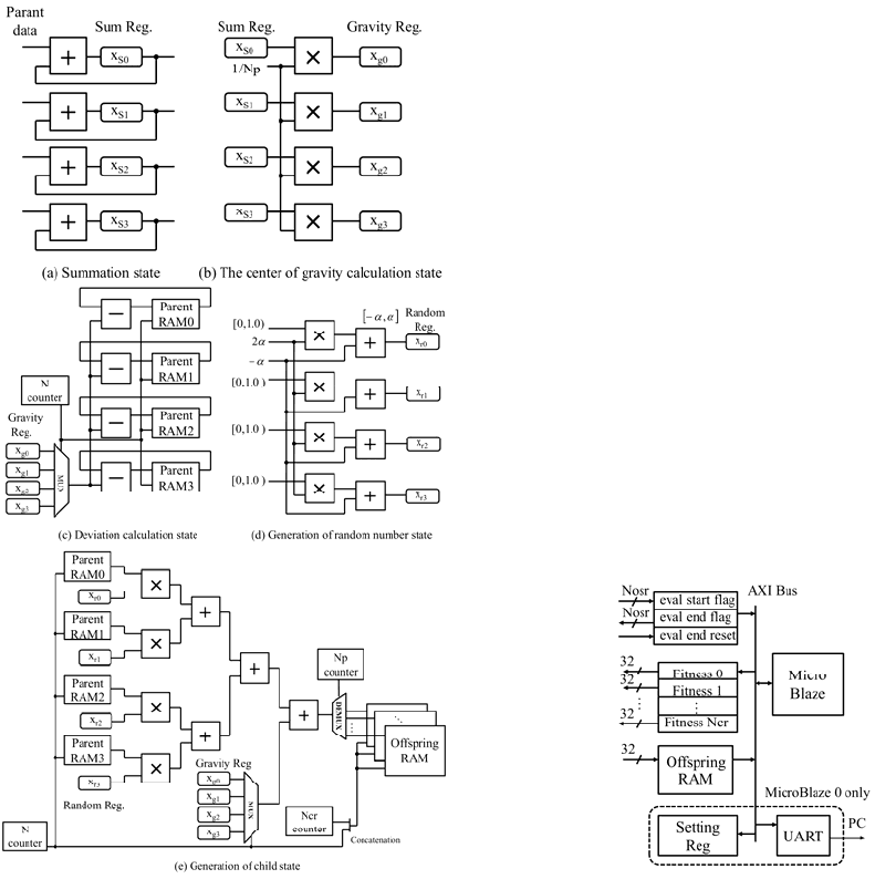
3.2.4 REX Circuit
In the REX circuit, the Nos number of offspring are
generated by performing the calculation of equation
(1). The calculation of the equation (1) is performed
by dividing into the following five steps; (1)
Summation, (2) Calculation of the center of gravity
x
g
, (3) Calculation of deviation (x
i
-x
g
), (4)
Generation of random numbers (
), (5) Generating
offspring.
Figure 4 shows a block diagram of REX circuit.
This circuit primarily consists of Np sets of single
precision floating point multipliers and adders and
some registers. The pipeline stage of multiplier and
adder are set as four. A feature of this circuit is to
achieve calculations by effectively utilizing the Np
sets of multipliers and adders. The above five steps
are calculated by changing the connection of
multipliers and adders in each state. Therefore, the
circuit can be implemented with less circuit
resources than the case of arithmetic units are
prepared as many as necessary in each state. Figure
5 shows the wiring diagram of arithmetic units at
each state in the case of Np = 4.
Figure 4: REX circuit.
ECTA 2015 - 7th International Conference on Evolutionary Computation Theory and Applications
336
The operations in each state are shown below.
At the step (1), all adders are used in parallel as
shown in Figure 5 (a). Each time of reading data
from the population memory, the data is added and
stored to the sum register in each dimension.
At the step (2), all multipliers are used in parallel
as shown in Figure 5 (b). The x
g
is calculated by
multiplying a 1/Np in parallel to the sum registers in
each dimension.
At the step (3), all adders are used in parallel as
subtractors as shown in Figure 5 (c). The data are
read simultaneously from Np sets parent memories.
The deviations between the each dimension of the x
g
and each parents are calculated. The data of parent
memories are overwritten by these deviations.
Figure 5: Wiring diagram of each state (e.g. Np = 4).
The step (1) to (3) are performed only once in a
generation.
At the step (4), all multipliers and adders are
connected and used in parallel as shown in Figure 5
(d). The calculation of
2
 is performed
in this state. Where R
1
is random number of [0,1), R
2
is random numbers of [-α, α]. The generated random
numbers are stored to the random registers.
At the step (5), all multipliers and adders are
used by combining as shown in Figure 5 (e). First,
the result of calculations in step (3) and the random
numbers generated in step (4) are simultaneously
multiplied at the same time. Then, the sum is
calculated by the connecting adders. The one
dimensional data of an offspring is calculated by
adding the x
g
of the dimension at the adder. The
calculated results are stored in the offspring
memories. The one offspring is generated by
performing the above process N times.
The Nos number of offspring are generated by
execution of Nosr × Np times of step (4) and (5).
3.2.5 Evaluation Circuit
This circuit calculate the fitness of the offspring
generated by the REX in accordance with an
evaluation function. The proposed processor
calculate fitness by the Np sets MicroBlaze (Xilinx
Corporation) soft macro CPU in parallel. Therefore,
it is possible to change the problem by rewriting the
evaluation function of program. The MicroBlaze has
RISC architecture and the 5-stage pipeline. As the
peripheral circuits, evaluation start and end flag
registers, an offspring memory and the
corresponding fitness registers are connected
through an AXI bus. Only one CPU is connected
parameter registers set of the RCGA and a serial
communication module for displaying the final
optimum solution. Figure 6 shows MicroBlaze and
peripheral circuits.
Figure 6: MicroBlaze and peripheral circuit.
The operation of this circuit is as follows. The
evaluation start flag is set whenever an offspring is
Design of a Real Coded GA Processor
337
generated by the REX. Then, evaluation calculation
is started. After the calculation, the result data is
stored to the corresponding fitness register. Then,
evaluation end flag is set. It is sequentially evaluated
in parallel with the generation of offspring.
3.2.6 Sorting Circuit
This circuit store the top Np offspring's number
while sorting in ascending order based on the fitness
of each individual to save for the next generation.
This circuit consists of Np sets floating point
comparators, top Np sets fitness registers and the
corresponding offspring number registers. If the
change of evaluation end flag is detected, a new
fitness is compared with simultaneously the current
top Np sets of fitness registers. An insert location of
a new individual is determined by result of exclusive
OR of the comparison results of one level higher.
At this time, the lowest fitness and individual
number are erased. Then, the new fitness and
individual number are inserted into the insertion
location. Since evaluation is parallel with performs
the above processing, top Np sets individuals are
determined because of registers are completed
sorting when the Nos number of the evaluations are
completed. The 0-th individual is a best solution in
current generation. Figure 7 shows a block diagram
of the sorting circuit when Np = 4.
Figure 7: Sorting circuit (e.g. Np=4).
Table 1: The circuit scale of the proposed processor.
FPGA resource XC7A200T Proposed Processor
Slice Register 269200 76102 (28%)
Slice LUT 134600 104162 (78%)
Block RAM 365 161 (44%)
DSP 740 160 (22%)
Table 2: The circuit scale of the RCGA processing, the
MicroBlaze and peripherals.
FPGA resource
RCGA
processing
MicroBlaze and
peripheral
Slice Register 17200 (6%) 58902 (22%)
Slice LUT 26636 (20%) 77525 (58%)
Block RAM 8 (2%) 153 (42%)
DSP 80 (11%) 80 (11%)
3.2.7 Updating Circuit
This circuit update the population memory by the
top Np sets offspring. Hence, the individuals who
have been selected as parents are overwritten by
these offspring. Then, the fitness of current optimum
solution is compared with the fitness of 0-th
offspring in the sorting circuit. The optimum
solution memory is updated when the fitness of 0-th
individual is higher.
4 EXPERIMENT
4.1 Environment and Circuit Scale
The proposed processor was designed using VHDL.
The circuit was synthesized using the PlanAhead
(14.7) of Xilinx Corporation. The circuit was
implemented on the AC701 FPGA evaluation board
of Xilinx Corporation. This board is implemented
the Artix-7(XC7A200T-2FBG676C). Therefore, the
arithmetic units in the REX circuit and the CPUs for
evaluation are implemented 16 sets respectively. The
proposed processor can be implemented in about
80% of the circuit scale on the low-end FPGA. In
addition, Table 2 shows a respective circuit scale of
the RCGA processing circuit, the MicroBlaze and
peripheral circuits. The MicroBlaze and peripheral
circuits occupy more than 50% in the proposed
processor. The RCGA processing circuits are about
20% of the circuit scale. This is considered because
of the floating point arithmetic units are shared.
4.2 Evaluation
The proposed processor was confirmed the
ECTA 2015 - 7th International Conference on Evolutionary Computation Theory and Applications
338
performance by applying to two benchmark
functions. The evaluation functions are the Sphere
function by equation (2) and the Ellipsoid function
by equation (3). The optimum solution of these
functions are the minimum value f(x) = 0. The
optimum solution is obtained when all of the
variables are 0.
N
i
i
xxf
1
2
1
)(
)12.512.5(
i
x
(2)
N
i
i
N
i
xxf
1
2
1
1
2
1000)(
)12.512.5(
i
x
(3)
As a comparison, the C language program of
RCGA was implemented and executed on a PC
(Intel (R) Xeon (R) CPU E5-1620, 3.7GHz). The
program was compiled by using the GCC-4.8.2. The
program is not applied parallelism; it is executed on
a single core CPU. After the fitness value f(x) is
reached 10
-7
or less, the x is regarded as an optimum
solution. Table 3 shows the result of each function
on the each environment. The FPGA was operated at
frequency of 100MHz. The results are the average of
30 times performed on the each environment. The
Nos was set to be a close value of integer multiple of
N on the proposed processor. In the Sphere function,
the number of evaluation to reach an optimum
solution is about 18,000 times on the PC at 12.1 ms.
On the other hand, the proposed processor required
about 19,000 times at 12.4 ms. In Ellipsoid function,
the number of evaluation is about 35000 times on
the PC at 27.2 ms, about 38000 times on the
proposed processor at 23.7 ms.
The number of evaluation of proposed processor
was slightly increased, compared with PC. It was
considered that because some part of processing of
proposed hardware simplified for hardware
implementation. Moreover, although the operating
frequency of the PC and the FPGA board are very
different, the execution times are almost the same. If
it is possible to improve the operating frequency of
the proposed processor, it is considered that the
result can be obtained in the execution time of more
than equivalent to the PC.
5 CONCLUSIONS
In this paper, we proposed a design of RCGA
processor. The proposed processor is implemented
using the JGG and the REX. The processor can be
implemented less circuit scale by effectively sharing
the circuit resources such as the arithmetic units. In
addition, the proposed processor has versatility
Table 3: Result of each evaluation function.
Function Item
PC
(Xeon,
3.7GHz)
Proposed
processor
(100MHz)
Sphere
Nos 7N 6Np (7N)
Evaluation
number
18813 19302
Execution
time (ms)
12.1 12.4
Ellipsoid
Nos 8N 7Np (8N)
Evaluation
number
35737 37811
Execution
time (ms)
27.2 23.7
because the evaluation functions that depend on
problem are calculated using soft macro CPU. The
implementation experiments were evaluated by
using two benchmark functions. The results can be
obtained in almost the same execution time single
core operation on the PC. The proposed processor is
expected in embedded field applications because of
it can be implemented in one chip FPGA.
Future works are to perform the improvement of
running speed and the application of such evolvable
hardware using the proposed processor.
REFERENCES
Kobayashi, S., (2009). The frontiers of real-coded genetic
algorithms, Transactions of the Japanese Society for
Artificial intelligence, 24(1):147-162.
Fernaldo, P., R., Katkoori, S., Keymeulen, D., Zebulum,
R., and Stoica, A., (2010). Customizable FPGA IPcore
implementation of a general-purpose genetic algorithm
engine, IEEE Trans. Evol. Comput., 14(1):133-149.
Vasicek, Z., and Sekanina, L., (2007). Evaluation of a
New Platform For Image Filter Evolution, Adaptive
Hardware and Systems, 2007. AHS 2007. Second
NASA/ESA Conf. on, pages 577-586.
Akimoto, Y., Hasada, R., Sakuma, J., Ono, I., and
Kobayashi, S., (2007). Generation Alternation Model
for Real-coded GA Using Multi-Parent Proposal and
Evaluation of Just Generation Gap (JGG), SICE
Symposium on Decentralized Autonomous Systems,
19:341-346.
Akimoto, Y., Sakuma, J., Ono, I., and Kobayashi, S.,
(2009). Adaptation of expansion rate for real-coded
crossovers, Proceedings of the 11th Annual conference
on Genetic and evolutionary computation. ACM,
pages: 739-746.
Uemura, K., Kinoshita, S., Nagata, Y., and Kobayashi, S.,
and Ono, I., (2011). A new framework taking account
of multi-funnel functions for Real-coded Genetic
Algorithms. In Evolutionary Computation (CEC),
2011 IEEE Congress on. IEEE, pages 2091-2098.
Design of a Real Coded GA Processor
339